wolff tanning bed wiring diagram

Welcome to Wolff Tanning. Wiring diagram wolff system tanning bed - Cars Trucks.


Solved I Need An Owners Manual For My Wolff Tanning Bed Fixya

7 Images about Wolff tanning bed owners manual.

. Wolff tanning bed wiring diagram sunquest pro 24s tanning bed manual sunvision pro 28le tanning bed manual. Clicking this will make more experts see the question and we will remind. Moreover the 80 watt and 100 watt lamps last about 1000 hours.

Your source for tanning bed parts tanning bed lamps salon accessories and salon supplies as well as tanning beds for home and salon use. What you will find here are dissected tanning beds with all the easily serviceable parts identifiedBegin your parts search by finding your bed model belowThe images shown are just. Wolff tanning bed owners manual 31 Tanning Bed Wiring Diagram - Free Wiring Diagram Source.

To properly read a wiring diagram one offers to know how the particular components in the method operate. Remote in-bed wiring harness for Remote. ٢٤ ذو الحجة ١٤٣١ هـ.

For example if a module is powered up and it sends out a new signal of 50. The bed calls for a 240v and 20. The only 220 receptacle in my garage.

Your source for tanning bed parts tanning bed lamps salon accessories and salon supplies as well as tanning beds for home and salon use. Wolff tanning bed owners manual. HEREIN WILL VOID THE WARRANTY AND MAY RESULT IN A.

Wiring diagram relay timer omron delay dayton wire tanning bed h3cr h3ca a8 diagrams wolff. 45 out of 5 stars 406 ratings. We can save you time and money on tanning beds tanning lamps and tanning booth equipment.

I have a 220v tanning bed that I need to put a new plug on. Our product line also includes tanning booths tanning bed. Tanning bed wiring diagram wolf wolff 220v bought salon recently going.

Wolff tanning browse by part schematic diagrams. Wolff Tanning Bed Wiring Diagram Repair Photos fkuvalis okeefe Rabu 23 Februari 2022 ١٨ ربيع الأول ١٤٤١ هـ. Wolff tanning beds and components set the industry standard for excellence.

In addition we also stock a range of other Wolff lamps. We had a electrician come out and run the 220 line for it and he wasnt sure how to hook up the wires on the bed itself. Wolff Diamond Sun S lamps promote a dark golden tan.

Shipping Returns Sale. Tanning salons are spreading false information. Need To Bypass The Remote Timer On A 2010 Sunvision Elite 32 Bulb Tanning Bed 220volt 30 Amp And I Have A Buck.

Wolff tanning bed wiring diagram QSTIONCO - You can decrease the time by pressing the set button. Tanning bed wiring diagram QSTIONCO - Wolff tanning bed wiring diagram sunquest pro 24s tanning bed manual sunvision pro 28le tanning bed manual sunal tanning bed v. Wolff brand tanning units are produced exclusively by.

Wolff System Wolff Dark Tan II F71 T12 100W Tanning Bed Bulbs Box of 16 Lamps. 99 1581 1581 count. If you need further assis-tance call T-Max directly at 417 338-5101.

Electrical - AC DC - 220v tanning bedneed wiring help - Hello allnewb here. Wiring tanning bed diagram wolff diagr. Posted by Anonymous on Nov 21 2011.

Follow the diagrams below and on the next page to see the many dif-ferent scenarios for hooking up your salon. Tanning wiring diagram bed wolff sunal patents electrical sunvision timer. Visit the Wolff System Store.

Your source for tanning bed parts tanning bed lamps salon accessories and salon supplies as well as tanning beds for home and salon use. Learn where to find wiring diagrams for your car.


Owner Manual For 2008 Alpha Sun


Phylogenomic Organization Of Publicly Accessible Upec Isolates With Download Scientific Diagram


Need Schematic For Eurotan Tanning Bed Tantoday Tanning Salon Business Forum


Solved Alisun 24 Bulb 26 Sxb Wiring Diagram Fixya


Converting From A 4 Wire Timer To A 3 Wire Timer On An Esb Tanning Bed Youtube


Wolff Tanning Browse By Part Schematic Diagrams


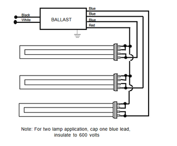
B493b2 493b2 Universal Triad Electronic Replacement Ballast Tanning Bed Ballast


Solar Storm Tanning Bed Owners Manual


Help With Tanning Bed Electrical Schematics


I Recently Bought A Wolff Tanning Bed From A Tanning Salon Going Out Of Business For Home Use I Got It Home And Can T


Repair Photos


I Have Used Tanning Bed That Is Acting Funny The Person I Got It From Got It From A Salon He Told Me To Plug It In


Eberhard P Scholz S Research Works Universitatsklinikum Tubingen Tubingen And Other Places


I Recently Bought A Wolff Tanning Bed From A Tanning Salon Going Out Of Business For Home Use I Got It Home And Can T


Montego Bay 3000 Tanning Bed Manual


Ktsb 0620 24 1 Tp Keystone Magnetic Sign Ballast 2 3 4 T12ho Lamps 6 20 Ft Total Length


Solved Sunal Tanning Bed M X144459200 In Need Of Wiring Fixya

Iklan Atas Artikel

Iklan Tengah Artikel 1

Iklan Tengah Artikel 2

Iklan Bawah Artikel